제품소개
제품소개
Temperature Controller G-Series
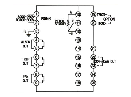
G-101
| SIZE | 96(W)x96(H)x137(D)mm(DIN43700) |
|---|---|
| 입력(Input) | 1 INPUT Pt100 ohm (DIN,IEC751) |
| 측정범위 (Measuring Range) | 0~200℃ |
| 출력(Output) | FAN-10A, ALARM-5A, TRIP-5A |
| 전송전류출력 (Transmission Outpit) | DC4~20mA(0~200℃ 비례) |
| 공급전원 (Power Supply) | FREE VOLT. AC90~260V, DC100~300V AC120~300V (OPTION) |
| 통신(OPTION) (Communication Output) | RS485 MODBUD RTU & ASCII AUTO |
Connection Diagram
G-103
| SIZE | 96(W)x96(H)x137(D)mm(DIN43700) |
|---|---|
| 입력(Input) | 3 INPUT(3 CH) Pt100 ohm (DIN,IEC751) |
| 측정범위 (Measuring Range) | 0~200℃ |
| 출력(Output) | FAN-10A, ALARM-5A, TRIP-5A |
| 전송전류출력 (Transmission Outpit) | DC4~20mA(0~200℃ 비례) |
| 공급전원 (Power Supply) | FREE VOLT. AC90~260V, DC100~300V AC120~300V (OPTION) |
| 통신(OPTION) (Communication Output) | RS485 MODBUD RTU & ASCII AUTO |
Connection Diagram
SENSOR Pt100(DIN IEC 751)신제품 - Silicone molding 일체형(국내최초)
Temperature Controller GW-Series
GW-01
| SIZE | 164(W)x81.5(H)x117(D)mm |
|---|---|
| 입력(Input) | 1 INPUT Pt100 ohm (DIN,IEC751) |
| 측정범위 (Measuring Range) | 0~200℃ |
| 출력(Output) | FAN-10A, ALARM-5A, TRIP-5A |
| 전송전류출력 (Transmission Outpit) | DC4~20mA(0~200℃ 비례) |
| 공급전원 (Power Supply) | FREE VOLT. AC90~260V, DC100~300V AC120~300V (OPTION) |
| 통신(OPTION) (Communication Output) | RS485 MODBUD RTU & ASCII AUTO |
Connection Diagram
GW-03
| SIZE | 164(W)x81.5(H)x117(D)mm |
|---|---|
| 입력(Input) | 3 INPUT(3 CH) Pt100 ohm (DIN,IEC751) |
| 측정범위 (Measuring Range) | 0~200℃ |
| 출력(Output) | FAN-10A, ALARM-5A, TRIP-5A |
| 전송전류출력 (Transmission Outpit) | DC4~20mA(0~200℃ 비례) |
| 공급전원 (Power Supply) | FREE VOLT. AC90~260V, DC100~300V AC120~300V (OPTION) |
| 통신(OPTION) (Communication Output) | RS485 MODBUD RTU & ASCII AUTO |
Connection Diagram
SENSOR Pt100(DIN IEC 751) NEW-Silicone one